產品名稱:
布錐管內螺紋三通接頭
產品系列搜索
請選擇您想要尋找的相關產品系列
產品描述

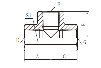
| 訂貨號 | 螺 紋 | 尺 寸 | |||||||||||||
| E | F | G | A | B | C | S1 | |||||||||
| YN-02 | Z1/8"X27 | Z1/8"X27 | Z1/8"X27 | 20 | 20 | 20 | 16 | ||||||||
| YN-04 | Z1/4"X18 | Z1/4"X18 | Z1/4"X18 | 22.5 | 22.5 | 22.5 | 19 | ||||||||
| YN-06 | Z3/8"X18 | Z3/8"X18 | Z3/8"X18 | 26 | 26 | 26 | 24 | ||||||||
| YN-08 | Z1/2"X14 | Z1/2"X14 | Z1/2"X14 | 31 | 31 | 31 | 27 | ||||||||
| YN-12 | Z3/4"X14 | Z3/4"X14 | Z3/4"X14 | 34 | 34 | 34 | 33 | ||||||||
| YN-16 | Z1"X11.5 | Z1"X11.5 | Z1"X11.5 | 42 | 42 | 42 | 41 | ||||||||
| YN-20 | Z1.1/4"X11.5 | Z1.1/4"X11.5 | Z1.1/4"X11.5 | 48 | 48 | 48 | 50 | ||||||||
| YN-24 | Z1.1/2"X11.5 | Z1.1/2"X11.5 | Z1.1/2"X11.5 | 53 | 53 | 53 | 60 | ||||||||
| YN-32 | Z2"X11.5 | Z2"X11.5 | Z2"X11.5 | 62 | 62 | 62 | 70 | ||||||||